2. Поняття базування і закріплення заготовок

При  складанні елементів машини необхідно  забезпечити  правильне розміщення деталей  і вузлів  у складальних одиницях, а при  обробці  заготовок  їх     необхідно   правильно  орієнтувати  щодо  елементів верстата. Завдання  взаємного орієнтування  виробів  у складальних одиницях  і заготовок  при обробці  вирішуються  їх  базуванням.

Таким чином, очевидно, що в цілому якість виготовлення деталей залежить від правильності установки заготовки на верстаті. Виходячи з цього, установка складається з базування, тобто орієнтації заготовки щодо верстата, інструмента, і закріплення, тобто прикладання сил чи пар сил до заготовки для забезпечення сталості її положення, досягнутого при базуванні.

Іншими словами: базування – придання заготовці необхідного положення щодо обраної системи координат (відповідно до ГОСТу 21495-84).

Зупинимося докладніше на цих поняттях.

З теоретичної механіки відомо, що будь-яке тіло володіє шістьма ступенями вільності: 3 поступальними і 3 обертальними рухами уздовж і навколо трьох осей координат (декартова система координат). Задачею базування є позбавлення заготовки всіх чи декількох ступенів вільності.

У свою чергу, позбавлення заготовки ступенів вільності досягається накладенням зв'язків. Зв'язок – це обмеження, що накладається на рух точок тіла. Розрізняють позиційні зв'язки, що обмежують переміщення, і кінематичні зв'язки, що накладають обмеження на швидкість. Крім цього, зв'язки можуть бути однобічні і двосторонні. Однобічні зв'язки забезпечують орієнтацію. Двосторонні – орієнтацію і фіксацію. У реальних умовах фіксація здійснюється за допомогою затискних елементів.

Контакт заготовки з установчими елементами пристосування реалізують позиційні зв'язки однобічного характеру. Число точок контакту установчих елементів із заготовкою повинно дорівнювати числу замінених однобічних зв'язків. Ці точки контакту називаються опорними. Одна опорна точка позбавляє заготовку одного ступеня вільності.

Отже: база – це поверхня, або виконуючі ті ж функції сполучення поверхонь, вісь, точки заготовки, що використовуються для базування.

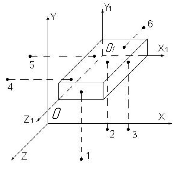
Згідно з теоретичної механіки, потрібне положення або рух твердого тіла відносно вибраної системи координат досягається накладенням геометричних або кінематичних зв'язків.

1 - 6 - двосторонні зв'язки. При накладенні геометричних зв'язків тіло позбавляється трьох переміщень вздовж осей ОХ (зв'язок №6), ОУ (зв'язку №4 та №5), OZ (зв'язку №1, №2 і №3) і трьох поворотів навколо цих осей зв'язку №1, №2 і №3 - навколо осей OX і OY і зв'язку №4 і №5 - навколо осі OZ), тобто тіло стає нерухомим в системі OXYZ.

 

Накладення двосторонніх геометричних зв'язків досягається зіткненням поверхонь тіла з поверхням інших тіл, до яких воно приєднується , та додатком сил або моментів для забезпечення контакту між ними.

Приклади базування:1 — база; 2 заготовка; 3 губки, що затискають; 4 конус пристрою, що центрує.

 

Базування заготовки або виробу полягає у наданні їм необхідного положення щодо обраних осей координат. Базування заготовки на верстаті, деталей і вузлів у машині забезпечується вибором відповідних баз.

Базою називають поверхню (рис.9, а) або сукупність поверхонь (рис.9, б), вісь, точку, що належать заготовці і використовуються для базування (рис.9, в, г). Оскільки поняття базування використовується на всіх стадіях створення виробів (проектування, підготовка виробництва, виготовлення і контроль деталей, складання виробу), бази класифікують на чотири види: проектні, конструкторські, технологічні і вимірювальні.

База - поверхня: 1 - база, 2 - деталь.

База - сукупність поверххонь 1 : 2 - деталь.

База - вісь 1 : 2- заготовка, 3 - губки самоцентруючих лещат.

База - точка 1 : 2 - заготовка, 3 - центрируючий конус пристосування.